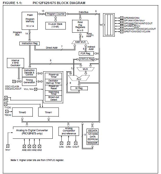
Product Summary
The PIC12F675-I/SN has a 10-bit A/D converter. It comes in 8-pin PDIP, SOIC, MLF-S and DFN packages. The PIC12F675-I/SN device has a 13-bit program counter capable of addressing an 8K x 14 program memory space. Only the first 1K x 14 (0000h-03FFh) is physically implemented. Accessing a location above these boundaries will cause a wrap-around within the first 1K x 14 space. The Reset vector is at 0000h and the interrupt vector is at 0004h.
Parametrics
Absolute maximum ratings: (1)Ambient temperature under bias: -40 to +125℃; (2)Storage temperature: -65 to +150℃; (3)Voltage on VDD with respect to VSS: -0.3 to +6.5V; (4)Voltage on MCLR with respect to Vss: -0.3 to +13.5V; (5)Voltage on all other pins with respect to VSS: -0.3V to (VDD + 0.3V); (6)Total power dissipation: 800 mW; (7)Maximum current out of VSS pin: 300 mA; (8)Maximum current into VDD pin: 250 mA; (9)Input clamp current, IIK (VI < 0 or VI > VDD): 20 mA; (10)Output clamp current, IOK (Vo < 0 or Vo >VDD): 20 mA; (11)Maximum output current sunk by any I/O pin: 25 mA; (12)Maximum output current sourced by any I/O pin: 25 mA; (13)Maximum current sunk by all GPIO: 125 mA; (14)Maximum current sourced all GPIO: 125 mA.
Features
Features: (1)Internal and External Oscillator Options; (2)Power-Saving Sleep mode; (3)Wide Operating Voltage Range -2.0V to 5.5V; (4)Industrial and Extended Temperature Range; (5)Low-Power Power-on Reset (POR); (6)Power-up Timer (PWRT) and Oscillator Start-up Timer (OST); (7)Brown-out Detect (BOD); (8)Watchdog Timer (WDT) with Independent Oscillator for Reliable Operation; (9)Multiplexed MCLR/Input Pin; (10)Interrupt-on-Pin Change; (11)Individual Programmable Weak Pull-ups; (12)Programmable Code Protection; (13)High Endurance Flash/EEPROM Cell.
Diagrams

| Image | Part No | Mfg | Description | ![]() |
Pricing (USD) |
Quantity | ||||||||||||
|---|---|---|---|---|---|---|---|---|---|---|---|---|---|---|---|---|---|---|
![]() |
![]() PIC12F675-I/SN |
![]() Microchip Technology |
![]() 8-bit Microcontrollers (MCU) 1.75KB 64 RAM 6 I/O Ind Temp SOIC8 |
![]() Data Sheet |
![]()
|
|
||||||||||||
![]() |
![]() PIC12F675-I/SNG |
![]() Microchip Technology |
![]() 8-bit Microcontrollers (MCU) 1.75KB 64 RAM 6 I/O |
![]() Data Sheet |
![]() Negotiable |
|
||||||||||||
(China (Mainland))









