Product Summary
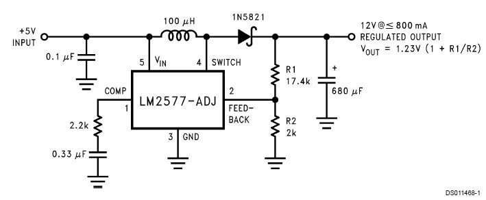
The LM2577S-12 regulator is a monolithic integrated circuit that provides all the active functions for a step-down (buck) switching regulator, capable of driving a 1A load with excellent line and load regulation. The LM2577S-12 is available in fixed output voltages of 3.3V, 5V, 12V, 15V, and an adjustable output version. Requiring a minimum number of external components, the regulator LM2577S-12 is simple to use and include internal frequency compensation and a fixed-frequency oscillator.
Parametrics
LM2577S-12 absolute maximum ratings: (1)Maximum Supply Voltage: 45V; (2)Output switch Voltage: 65V; (3)Output switch current: 6.0A; (4)Power Dissipation: Internally Limited; (5)Storage Temperature Range: -65℃ to +150℃; (6)Maximum Junction Temperature: 150℃; (7)Minimum ESD ratings: 2kV.
Features
LM2577S-12 features: (1)Requires few external components; (2)NPN output switches 3.0A, castand off 65V; (3)Wide input voltage range: 3.5V to 40V; (4)Current-mode operatiofor improved transient response, line regulation, and current limit; (5)52 kHz internal oscillator; (6)Soft-start functioreduces in-rush current during start-up; (7)Output switch protected by current limit, under-voltage lockout, and thermal shutdown.
Diagrams

| Image | Part No | Mfg | Description | ![]() |
Pricing (USD) |
Quantity | ||||||||||||
|---|---|---|---|---|---|---|---|---|---|---|---|---|---|---|---|---|---|---|
![]() |
![]() LM2577S-12 |
![]() National Semiconductor (TI) |
![]() Switching Converters, Regulators & Controllers |
![]() Data Sheet |
![]()
|
|
||||||||||||
![]() |
![]() LM2577S-12/NOPB |
![]() National Semiconductor (TI) |
![]() Switching Converters, Regulators & Controllers |
![]() Data Sheet |
![]()
|
|
||||||||||||
(China (Mainland))










